Power Monitoring and Comparison of ESP32 and nRF52 Device

Comprehensive analysis of power consumption patterns in embedded systems with LED operation

Back to Home

🎯 Project Goals

  • Learn about and use the power saving features in ESP32 and nRF
  • Demonstrate the features in an LED lighting and user data input application
  • Compare the results of the two platforms

🔧 Components Needed

  • ESP32 (ready to go)
  • nRF52832 (or another nRF device)
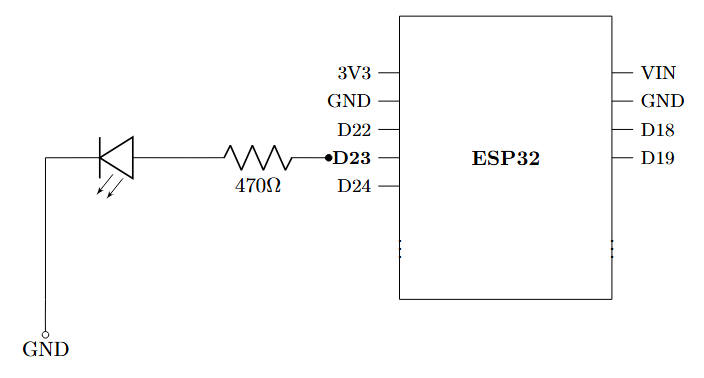
  • LED with 470 ohm resistor (3.3V/470Ω ≈ 7 mA)
  • External USB Connector to measure current (DROK USB Tester)

💻 Software Requirements

  • PlatformIO environment for ESP32
  • VS Code and Zephyr for nRF Device
  • Hardware access in both platforms for current measurement

ESP32 Circuit Design

ESP32 Circuit Diagram

LED Operation Analysis

⚡ Always ON Mode

Direct current measurements with different LED colors at constant illumination.

\(V_f = V_{in} - I \times 470\)
LED Color Applied Voltage (V) Current Recorded (mA) Forward Voltage (V)
Violet 3.3 0.67 2.98
Yellow 3.3 2.7 2.03
Green 3.3 2.61 2.07
Red 3.3 2.83 1.97
The violet LED shows significantly lower current consumption (0.67 mA) compared to other colors, indicating a higher forward voltage drop characteristic of blue/violet LEDs.

🔄 Blinking Pattern (30 Hz)

Current measurements during PWM-controlled LED blinking at 30 Hz frequency.

PWM control at 30 Hz reduces average current consumption by approximately 50% compared to continuous operation, demonstrating effective power management through duty cycle control.

Key Observations